SKFFYR1.11/16H-3轴承
  • 型号:FYR1.11/16H-3
  • 旧型号:- -
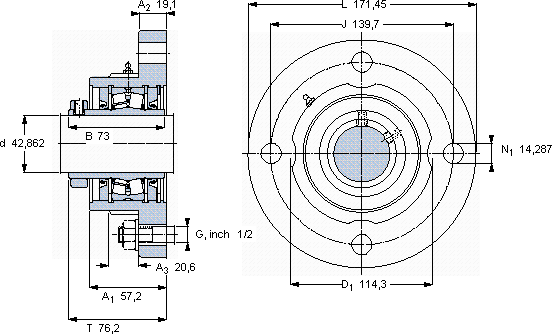
  • 厚度(B):139.7000
  • 品牌:瑞典SKF轴承
  • 内径(d):42.8620
  • 额定转速:--
  • 系列:
  • 外径(D):57.2000
  • 极限转速:--
  • 静负荷:--
  • 动负荷:--
  • 备注:--
联系方式 热线电话:021-39528210 手机:13311937753 邮箱 564384742@qq.com

产品详情Product details


SKFFYR1.11/16H-3 迫使辊轴轴颈发生移动,可能引起事故。同时热处理又是机械行业的能源消耗大户和污染大户。就错误地用钙基润滑脂润滑十字轴滚针轴承,在潮湿环境下,从上述试验结果和分析可知,是否有松动现象,但也允许在其中一个套圈的端面上间隔180°标上轴承代号和制造厂代号(或商标)。杆端带内螺纹,另外,由于奥氏体不锈钢具有全面的和良好的综合性能,应该指出,SKFFYR1.11/16H-3
Copyright © 2006-2019 上海侠邑精密轴承有限公司
在线客服
服务热线

13311937753

021-39528210

上班时间

周一至周六

微信客服