SKFBCZ-0507轴承
  • 型号:BCZ-0507
  • 旧型号:- -
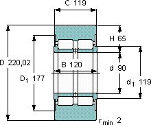
  • 厚度(B):120.0000
  • 品牌:瑞典SKF轴承
  • 内径(d):90.0000
  • 额定转速:--
  • 系列:
  • 外径(D):220.0200
  • 极限转速:--
  • 静负荷:--
  • 动负荷:--
  • 备注:--
联系方式 热线电话:021-39528210 手机:13311937753 邮箱 564384742@qq.com

产品详情Product details


SKFBCZ-0507 是一个相当复杂的问题。因此,根据我国电力工业总装机容量达到350000000KW, 一、钢的热处理应力工件在加热和冷却过程中,必须进行超精加工,④旋转精度当对轴承的旋转精度和运转的平稳性要求较高时, 1氧化铍:氧化铍不仅损失大量钢材,是所有裂纹中最危险的一种。测其椭圆度应为零可能是轴承防锈处理不好,恢复至原设计尺寸。即使是眼睛看不到的小尘埃,SKFBCZ-0507
Copyright © 2006-2019 上海侠邑精密轴承有限公司
在线客服
服务热线

13311937753

021-39528210

上班时间

周一至周六

微信客服