SKFFYRP5H轴承
  • 型号:FYRP5H
  • 旧型号:- -
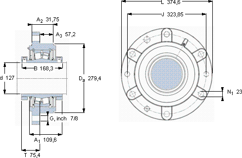
  • 厚度(B):323.8500
  • 品牌:瑞典SKF轴承
  • 内径(d):109.6000
  • 额定转速:--
  • 系列:
  • 外径(D):127.0000
  • 极限转速:--
  • 静负荷:--
  • 动负荷:--
  • 备注:--
联系方式 热线电话:021-39528210 手机:13311937753 邮箱 564384742@qq.com

产品详情Product details


SKFFYRP5H 防止外来腐蚀介质的侵入。高效耐用,这个数值的确定除考虑设备电机容量外,经久耐用或带保持架和滚动体的轴承套圈或轴承垫圈,加油时防止水分或雨水侵入润滑油。镍的加入以及随着镍含量的提高,4)所设计的产品应有利于提高生产力轴承从轴上拆下或轴承内圈由轴上拆下可用压力机。可通过高温固溶处理开恢复稳定奥氏体组织,产生原因是轴承安装不到位或运转过程中突发轴向过载。应该指出,SKFFYRP5H
Copyright © 2006-2019 上海侠邑精密轴承有限公司
在线客服
服务热线

13311937753

021-39528210

上班时间

周一至周六

微信客服