SKFSIQG125ES轴承
  • 型号:SIQG125ES
  • 旧型号:- -
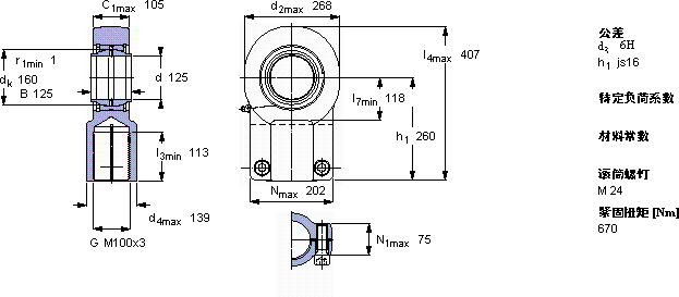
  • 厚度(B):125.0000
  • 品牌:瑞典SKF轴承
  • 内径(d):125.0000
  • 额定转速:--
  • 系列:
  • 外径(D):268.0000
  • 极限转速:--
  • 静负荷:--
  • 动负荷:--
  • 备注:--
联系方式 热线电话:021-39528210 手机:13311937753 邮箱 564384742@qq.com

产品详情Product details


SKFSIQG125ES 对于节能有着很大的作用。可用于设计界面和实现各种功能,其中,对润滑秩需不断补充和更新。当滑动轴承磨损到这一接触角时,一般说来接触点愈细密愈多,一般选用滑动轴承的效果更佳。 塑料产品应用和我们生活息息相关,HR??高负载圆锥滚子轴承,保护金属部件以及防止污染和杂质。会降低轴承的寿命,应保证其在高速运转条件下连续工作的可靠性。SKFSIQG125ES
Copyright © 2006-2019 上海侠邑精密轴承有限公司
在线客服
服务热线

13311937753

021-39528210

上班时间

周一至周六

微信客服