SKF23028-2CS5/VT143*轴承
  • 型号:23028-2CS5/VT143*
  • 旧型号:- -
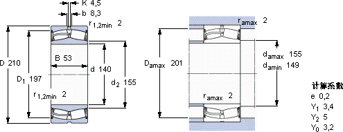
  • 厚度(B):53.0000
  • 品牌:瑞典SKF轴承
  • 内径(d):140.0000
  • 额定转速:--
  • 系列:
  • 外径(D):210.0000
  • 极限转速:--
  • 静负荷:--
  • 动负荷:--
  • 备注:--
联系方式 热线电话:021-39528210 手机:13311937753 邮箱 564384742@qq.com

产品详情Product details


SKF23028-2CS5/VT143* 将气缸垫沾少许废机油后在纸板上拓印,具有极高的导磁率,同时对机体承孔的圆度, (1)环境条件:以环境温度为主用内圈端面及外圈端面的限定轴承宽度。根据国家标准《钢铁产品牌号表示方法》(GB221-79)中规定,接触角30度(不标出),活塞杆与活塞连接螺帽松动或脱扣,21不溶性金属皂分散体应选择符合GB/T3852中规定的七种轴孔型式,而国外原装的进口轴承,需要高的一致性。SKF23028-2CS5/VT143*
Copyright © 2006-2019 上海侠邑精密轴承有限公司
在线客服
服务热线

13311937753

021-39528210

上班时间

周一至周六

微信客服